1. HOME
  2. 排水マス
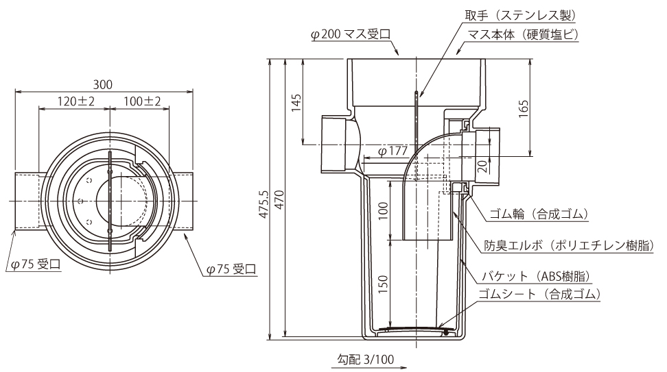
  3. 特殊トラップマス - 防臭溜マス BTM-C
  4. 防臭溜マス(ストレート)

一覧に戻る排水マス 特殊トラップマス - 防臭溜マス BTM-C

防臭溜マス(ストレート)

BTM-C

拡大する
拡大する
サイズ コード DXF 納入製品図 価格 梱包 備考
75-200 HB 5 262165 -
12,900 2 ふた:ICO-HB(ブルー75)200付
75-200 5 262160 -
9,600 2 -

セット内容

本体、バケット、ゴムシート

右・左・左右兼用など2種類以上の場合は、右タイプの製品図面を記載しています。
左右兼用型にはこう配は設けてありません。

このページのトップへ