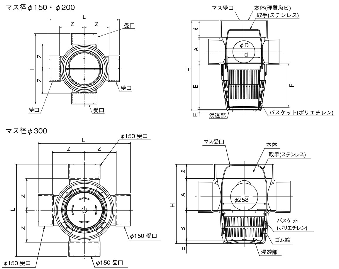
雨水マス・雨水浸透マス PMシリーズ - 合流 | 寸法単位:mm | |||||||||||||||||
|---|---|---|---|---|---|---|---|---|---|---|---|---|---|---|---|---|---|
| サイズ | コード | DXF | 納入製品図 | 価格 | 梱包 | Z | L | H | D | d | ℓ | A | B | E | F | ||
|
|
100-150 | 5 269522 - | 5,900 | 4 | 97±2 | 294 | 385 | 134 | 110×120 | 50±2 | 124±2 | 205 | 6 | 190±5 | |||
|
|
100-200 | 5 269572 - | 7,200 | 2 | 122±2 | 344 | 435 | 180 | 156×166 | 80±2 | 124±2 | 224 | 7 | 210±5 | |||
| 125-200 | 5 269582 - | 10,400 | 2 | 125±2 | 380 | 470 | 180 | 156×166 | 80±2 | 156±2 | 227±5 | 7 | 210±5 | ||||
|
|
150-200 | 5 269602 - | 13,700 | 2 | 127±2 | 414 | 490 | 180 | 156×166 | 80±2 | 177±2 | 226±5 | 7 | 210±5 | |||
| 150-300 | 5 269059 - | 32,100 | 1 | 180±2 | 520 | 447 | - | - | 80±2 | 180±2 | 172 | 15 | - | ||||
| 200-300 | 5 269069 - | 38,100 | 1 | 180±2 | 570 | 498 | - | - | 80±2 | 230±2 | 172 | 16 | - | ||||
●PMバスケット付き
右・左・左右兼用など2種類以上の場合は、右タイプの製品図面を記載しています。
![]()
:プラスチック・マスマンホール協会規格対象品
