マンホール AHR-Rシリーズ - 合流 | 寸法単位:mm | |||||||||||||||||||||||
|---|---|---|---|---|---|---|---|---|---|---|---|---|---|---|---|---|---|---|---|---|---|---|---|
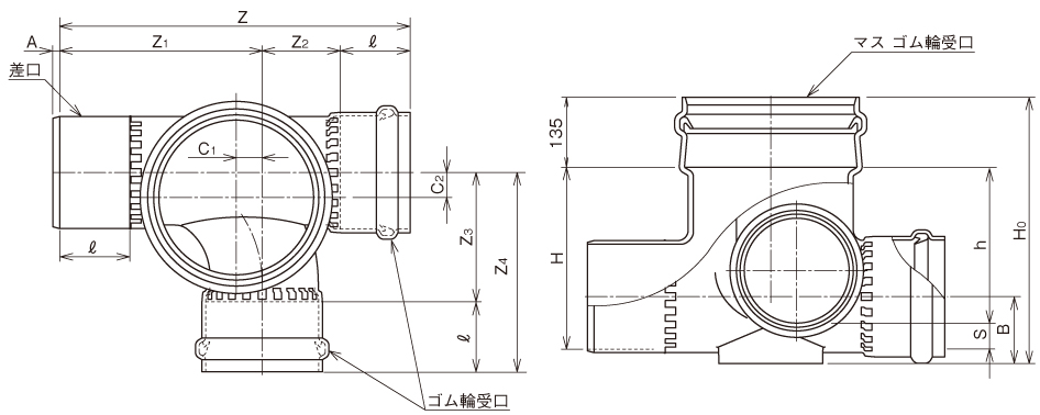
| サイズ | 向き | コード | DXF | 納入製品図 | 価格 | 梱包 | 備考 | Z | Z1 | Z2 | Z3 | Z4 | ℓ | C1 | C2 | A | B | H | h | Ho | S | ||
|
|
150-300 | 右 | 5 265554 - | 73,300 | 1 | - | 630 | 350 | 160 | 240 | 350 | 110±10 | 40 | 40 | 10 | 100 | 300 | 250 | 458 | 50 | |||
|
|
150-300 | 左 | 5 265555 - | 73,300 | 1 | - | 630 | 350 | 160 | 240 | 350 | 110±10 | 40 | 40 | 10 | 100 | 300 | 250 | 458 | 50 | |||
|
|
200-300 | 右 | 5 265604 - | 76,300 | 1 | - | 688 | 390 | 150 | 250 | - | 135±10 | 50 | 48 | 13 | 129 | 350 | 300 | 513 | 50 | |||
|
|
200-300 | 左 | 5 265605 - | 76,300 | 1 | - | 688 | 390 | 150 | 250 | - | 135±10 | 50 | 48 | 13 | 129 | 350 | 300 | 513 | 50 | |||
| 250-300 | 右 | 5 266064 - | 149,500 | 1 | 段差なし | 731 | 360 | 200 | 200 | 355 | 155±10 | - | - | 16 | 158 | 350 | - | 518 | - | ||||
| 250-300 | 左 | 5 266065 - | 149,500 | 1 | 段差なし | 731 | 360 | 200 | 200 | 355 | 155±10 | - | - | 16 | 158 | 350 | - | 518 | - | ||||
右・左・左右兼用など2種類以上の場合は、右タイプの製品図面を記載しています。
![]()
:プラスチック・マスマンホール協会規格対象品
