ふた・防護ふた 鋳鉄製防護ふた(φ300以上) - 防護ふた(φ300用、協会統一型) | 品名 | コード | DXF | 納入製品図 | 価格 | 梱包 | 備考 | ||
|---|---|---|---|---|---|---|---|---|
|
|
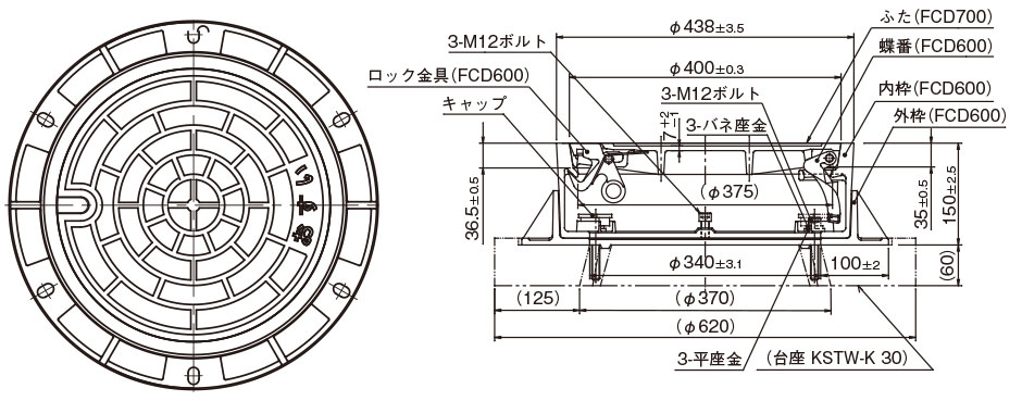
KSL-30 蓋(おすい) | 5 232893 - | 34,100 | 1 | - | |||
|
|
KSH-K・KSL-K 枠 | 5 230764 - | - | - | 59,100 | 1 | - | |
|
|
KSTW-K30 台座 | 5 230757 - | 9,200 | 1 | - | |||
| KSKR30-5 嵩上げリング | 5 230777 - | 900 | 45 | 5mm嵩上げ用(別売) | ||||
| KSKR30-10 嵩上げリング | 5 230778 - | 900 | 22 | 10mm嵩上げ用(別売) | ||||
| KSKR30-5×10 嵩上げリング | 5 230779 - | 900 | 30 | 5mm嵩上げ・傾斜対応型(別売) |
※枠のDXFと納入製品図は蓋と共通になります。
ふたの種類によっては、雨水マスAM/PMシリーズのバケット又はバスケットが取り出せないものがあります。取付前に必ず確認してください。
"
"の付いている製品は「取り出し可能」です。
![]()
:プラスチック・マスマンホール協会規格対象品
