上がりかまち用手すり KM-300L/KM-300F
玄関のかまちに取り付ける、段差昇降をサポートする手すりです。狭い玄関に最適です。
住宅改修対象品(介護保険)
資料ダウンロード
製品詳細
-
製品タイプ
手すり高さ固定木製手すり
-
サイズ・容量
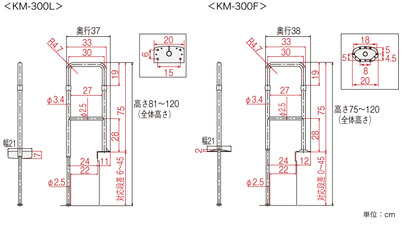
[300L]幅21×奥行37×高さ81~120cm [300F]幅21×奥行38×高さ75~120cm
-
重量
[300L]約4.5kg [300F]約4.3kg
-
材質
(本体・アジャスター)スチール(手すり部)ラバーウッド集成材(スライド脚)アルミニウム
-
付属品
木ネジ 六角レンチ
-
色調
ライトブラウン/ブラウン
※ 材質名はそれぞれPP=ポリプロピレン、PE=ポリエチレン、ABS=ABS樹脂、PVC=塩化ビニル樹脂、EVA=エチレン酢酸ビニル共重合樹脂を表しています。
製品一覧
商品名タイプ
商品コード
JANコード
TAISコード
価格
部品
300L ライトブラウン
300L ブラウン
300F ライトブラウン
300F ブラウン
※ JANコードの国名およびメーカーコードを表す49-70210は共通です。TAISコードのメーカーコードを表す00221は共通です。
寸法図

製品検索
商品名や品番、キーワードで探す
-
排泄用品

-
入浴用品

-
住宅関連用品

-
移動・歩行用品

-
その他







































