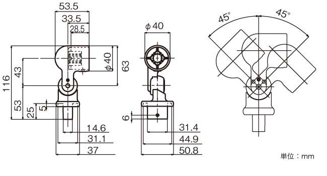
アプローチ用手すり エンド支柱ブラケットR
屋外用手すりの部材。手すり端末のブラケット。
資料ダウンロード
製品詳細
-
材質
アルミ合金
-
色調
シルバー
※ 材質名はそれぞれPP=ポリプロピレン、PE=ポリエチレン、ABS=ABS樹脂、PVC=塩化ビニル樹脂、EVA=エチレン酢酸ビニル共重合樹脂を表しています。
製品一覧
商品名タイプ
商品コード
JANコード
TAISコード
価格
部品
エンド支柱ブラケットR
エンド支柱ブラケットR
商品コード
535-993
JANコード
521519
TAISコード
-
価格
9,000円(税込9,900円)
部品
-
※ JANコードの国名およびメーカーコードを表す49-70210は共通です。TAISコードのメーカーコードを表す00221は共通です。
寸法図

製品検索
商品名や品番、キーワードで探す
-
排泄用品

-
入浴用品

-
住宅関連用品

-
移動・歩行用品

-
その他

































